Manufacturer, Exporter of Engineering Product as Forgings, Castings, Pressure Die Casting, Sintering, Sheet Metal Components, Machining Development in India. Loveson Exports
We are Trader of Engineering Product Development in India.Offers Engineering Product Development as Forging, Castings, Sintering, Sheet Metal, Machining, Moulds, Prototyping, CAD Drafting in India.Contact Engineering Product Manufacturer as well as Engineering Product Exporter in India. Enquiry for Forgings, Castings, Pressure Die Casting, Sintering, Sheet Metal Components Supplier in India.
forgings suppliers, closed die forgings, forgings exporters india, closed die forgings supplier Alloy, Stainless Steel Forging Loveson Exports
Lovson Exports
Offers Lost Wax Injection Moulds as well as Lost Wax Moulds, Lost Wax Casting in India.







Lovson Exports






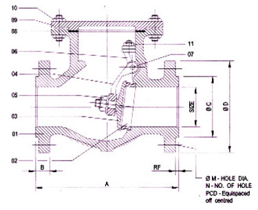
   Valves / Check Valves


Swing Check Valves
 

 
Class - 150
Size
A
B
ø C
ø D
ø M
N
PCD
40
166
17.5
73
127.0
16
4
98.5
50
202
19.0
92
152.0
19
4
120.5
65
217
22.3
105
178.0
19
4
140.0
80
242
24.0
127
190.5
19
4
152.4
100
293
24.0
157
229.5
19
8
190.5
150
357
25.0
216
279.0
22
8
241.0
200
494
28.5
270
343.0
22
8
298.0
250
623
30.0
324
406.0
25
12
362.0
300
698
32.0
381
483.0
25
12
432.0
350
788
35.0
413
533.0
29
12
476.2
400
863
36.5
470
597.0
29
16
539.8
   
Hydraulic Test Pressure
Service Rating
Class
Body
Seat
Pressure
Temp.
150
425 PSIG
300 PSIG
150 PSIG
500° F
300
1100 PSIG
750 PSIG
300 PSIG
850° F
600
2175 PSIG
1500 PSIG
600 PSIG
850° F
Air Test - Seat 80 PSIG ± PSIG
  
Class
RF
150
1.6 MM
300
1.6 MM
600
6.35 MM
 
Technical Data
Manufacturing STD: ANSI B 16.34 / BS 1868
Testing & Inspection STD:
API 598 / BS 5146
Face to Face: As per ANSI B 16.10
Shell wall thickness: ANSI B 16.34
End connections: Flanged as per ANSI B 16.5
 
No. Description Material
Qty.
01 Body ASTM A 216 Gr. WCB/ ASTM A 351 CF8/CF8M
1
02 Seat Ring Carbon Steel with 13% CR
1
03 Disc ASTM A 216 Gr. WCB with 13% CR
1
04 Hinge ASTM A 216 Gr. WCB
1
05 Disc Nut ASTM A 216 Gr. B7
ASTM A 216 Gr. 2H
1
06 Bracket ASTM A 216 Gr. WCB
07
Hinge pin S.S. AISI 410
1
08
Gasket Compressed Asbestos Fibre
1
09
Cover ASTM A 216 Gr. WCB
10
Cover Stud &
Nut
ASTM A 193 Gr. B7 ASTM A 194 Gr. 2H
-
11
Bracket Stud / Nut ASTM A 216 Gr. WCB 1

Class 300
Size
A
B
ø C
ø D
ø M
N
PCD
40
242 20.5
73
155.5
22
4
114.0
50
268
22.0
92
165.0
19
4
127.0
65
291
25.0
105
190.5
22
8
149.0
80
318
28.5
127
209.5
22
8
168.0
100
357
32.0
157
254.0
22
8
200.0
150
445
36.5
216
317.5
22
12
270.0
200
532
41.0
270
381.0
29
12
330.0
250
621
47.5
324
444.5
29
16
387.0
300
710
51.0
381
521.0
32
16
451.0
350
839
54.0
413
584.0
32
20
514.0
400
864
57.0
470
648.0
35
20
571.0
 
Class - 600
Size
A
B
ø C
ø D
ø M
N
PCD
40
242 28.7
73
156.0
22
4
114.0
50
291
31.7
92
165.0
19
8
127.0
65
329
34.8
105
191.0
11
8
149.0
80
355
38.1
127
210.0
11
8
168.0
100
431
44.5
157
273.0
25
8
216.0
150
558
54.1
216
356.0
29
12
292.0
200
659
62.0
270
519.0
32
12
349.0
250
788
69.8
324
508.0
35
16
432.0
300
839
72.9
381
559.0
35
20
489.0
     
Note : Due to constant upgradation designs & dimensions are subject to change wihtout notice.

Custom Development Closed Die Forging Open Die Forging Sand Casting Steel
Pressure Die Castings Sintering Sheet Metal Components
Machining Facility Lost Wax Castings Sand Iron Casting
Valves    
Services Lost Wax Injection Moulds Plastic Injection Moulds Rapid Prototyping
CAD Conversions & Drafting    



Home | Profile | Contact | Enquiry