Manufacturer, Exporter of Engineering Product as Forgings, Castings, Pressure Die Casting, Sintering, Sheet Metal Components, Machining Development in India. Loveson Exports
We are Trader of Engineering Product Development in India.Offers Engineering Product Development as Forging, Castings, Sintering, Sheet Metal, Machining, Moulds, Prototyping, CAD Drafting in India.Contact Engineering Product Manufacturer as well as Engineering Product Exporter in India. Enquiry for Forgings, Castings, Pressure Die Casting, Sintering, Sheet Metal Components Supplier in India.
forgings suppliers, closed die forgings, forgings exporters india, closed die forgings supplier Alloy, Stainless Steel Forging Loveson Exports
Lovson Exports
Offers Lost Wax Injection Moulds as well as Lost Wax Moulds, Lost Wax Casting in India.







Lovson Exports






   Valves / Check Valves


Abatibles Válvulas de retención


 
Class - 150
Tamaño
A
B
ø C
ø D
ø M
N
PCD
40
166
17.5
73
127.0
16
4
98.5
50
202
19.0
92
152.0
19
4
120.5
65
217
22.3
105
178.0
19
4
140.0
80
242
24.0
127
190.5
19
4
152.4
100
293
24.0
157
229.5
19
8
190.5
150
357
25.0
216
279.0
22
8
241.0
200
494
28.5
270
343.0
22
8
298.0
250
623
30.0
324
406.0
25
12
362.0
300
698
32.0
381
483.0
25
12
432.0
350
788
35.0
413
533.0
29
12
476.2
400
863
36.5
470
597.0
29
16
539.8
� �
Prueba hidráulica
Calificación del Servicio
Clase
Cuerpo
Asiento
presión
Temp.
150
425 PSIG
300 PSIG
150 PSIG
500° F
300
1100 PSIG
750 PSIG
300 PSIG
850° F
600
2175 PSIG
1500 PSIG
600 PSIG
850° F
Prueba de Aire - Asiento 80 ± 10 PSIG
��
Clase
RF
150
1.6 MM
300
1.6 MM
600
6.35 MM
 
Datos técnicos
Fabricación STD: ANSI B 16.34 / BS 1868
STD Prueba y Inspección:
API 598 / BS 5146
Cara a cara: según ANSI B 16.10
Carcasa espesor de pared: ANSI B 16.34
Conexiones: Bridas según ANSI B 16.5

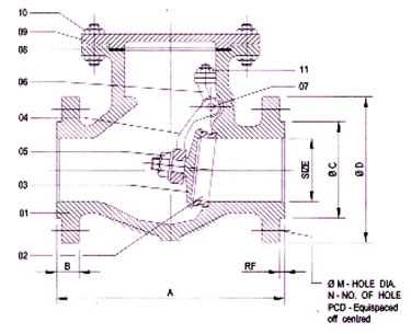
No. Descripción Material
Cantidad.
01 cuerpo ASTM A 216 Gr. WCB/ ASTM A 351 CF8/CF8M
1
02 Anillo de asiento Carbon Steel with 13% CR
1
03 disco ASTM A 216 Gr. WCB with 13% CR
1
04 bisagra ASTM A 216 Gr. WCB
1
05 tuerca Disco ASTM A 216 Gr. B7
ASTM A 216 Gr. 2H
1
06 soporte ASTM A 216 Gr. WCB
07
Bisagra pasador S.S. AISI 410
1
08
Junta Fibra de Asbesto comprimido
1
09
Cubierta ASTM A 216 Gr. WCB
10
Cubierta Tornillo & tuerca ASTM A 193 Gr. B7 ASTM A 194 Gr. 2H
-
11
Soporte del husillo / tuerca ASTM A 216 Gr. WCB 1

Clase 300
Tamaño
A
B
ø C
ø D
ø M
N
PCD
40
242 20.5
73
155.5
22
4
114.0
50
268
22.0
92
165.0
19
4
127.0
65
291
25.0
105
190.5
22
8
149.0
80
318
28.5
127
209.5
22
8
168.0
100
357
32.0
157
254.0
22
8
200.0
150
445
36.5
216
317.5
22
12
270.0
200
532
41.0
270
381.0
29
12
330.0
250
621
47.5
324
444.5
29
16
387.0
300
710
51.0
381
521.0
32
16
451.0
350
839
54.0
413
584.0
32
20
514.0
400
864
57.0
470
648.0
35
20
571.0

Clase - 600
Tamaño
A
B
ø C
ø D
ø M
N
PCD
40
242 28.7
73
156.0
22
4
114.0
50
291
31.7
92
165.0
19
8
127.0
65
329
34.8
105
191.0
11
8
149.0
80
355
38.1
127
210.0
11
8
168.0
100
431
44.5
157
273.0
25
8
216.0
150
558
54.1
216
356.0
29
12
292.0
200
659
62.0
270
519.0
32
12
349.0
250
788
69.8
324
508.0
35
16
432.0
300
839
72.9
381
559.0
35
20
489.0
     
Nota : Debido a las constantes actualizaciones los diseños y dimensiones están sujetos a cambios sin previo aviso.

Desarrollos a medida Troquel Forjado Cerrado Troquel Forjado abierto pieza de acero fundido arenoso
Fundiciones de presión sinterización Componentes de hoja de metal
Facilidad de mecanizado Piezas fundidas de cera perdida Piezas fundidas de cera perdida
Válvulas    
Servicios inyección Moldes de Cera Perdida Moldes de inyección de plástico rápido prototipado
CAD Conversiones y Redacción    



Home | Perfil | Contacto | Solicitud