Manufacturer, Exporter of Engineering Product as Forgings, Castings, Pressure Die Casting, Sintering, Sheet Metal Components, Machining Development in India. Loveson Exports
We are Trader of Engineering Product Development in India.Offers Engineering Product Development as Forging, Castings, Sintering, Sheet Metal, Machining, Moulds, Prototyping, CAD Drafting in India.Contact Engineering Product Manufacturer as well as Engineering Product Exporter in India. Enquiry for Forgings, Castings, Pressure Die Casting, Sintering, Sheet Metal Components Supplier in India.
forgings suppliers, closed die forgings, forgings exporters india, closed die forgings supplier Alloy, Stainless Steel Forging Loveson Exports
Lovson Exports
Offers Lost Wax Injection Moulds as well as Lost Wax Moulds, Lost Wax Casting in India.







Lovson Exports






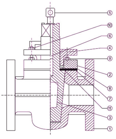
   Válvulas / Válvulas de tapón


 
NO. PARTE CANTIDAD.
MATERIAL.
01 BODY
1
CAST IRON, IS 210, GR
FG 220/260
02 TOP COVER
1
CAST IRON, IS 210, GR
FG 220/260
03 PLUG
1
CAST IRON, IS 210, GR
FG 220/260
04 GLAND
1
CAST IRON, IS 210, GR
FG 220/260
05 LUBRICANT BOLT
1
CARBON STEEL
06 NON RETURN VALVE
1
CARBON STEEL
07 GASKET
1
C A F
08 SHIM
1
S.S. 304
09 COVER BOLTS
2
CARBON STEEL
10 STUDS & NUTS
2+4
CARBON STEEL
11 GLAND PACKING
2
STEEL
11 GLAND PACKING 2
Note : Also available in CS(ASTMA 216 Gr WCB)/SS304 / SS316 PTFE SLEEVED /JACKETTED PLUG VALVES available on request.


Plug Valves with Flanged Enda are available from 1/2" to 4" in Regular Pattern & Short Pattern, Screwed from 1/2" to 1"

Wrenches for all sizes available when ordered seperately.

Flanges : As per B.S. 10 Table D, E, F Class 150 or ANSI 16.1 Class 125 Screwed : BSP Thread as per BS 21

Flanged Valves are offered undrilled.

Drilling can be done on request.
     
MEDIDAS
patrón regular
patrón corto
TAMAñO DE VáLVULAS (mm)
15
20
25
40
50
65
80
100
150
50
65
80
100
150
EXTREMOS ATORNILLADOS
A
89
95
111
CARA A CARA
A
120
120
141
166
202
221
242
306
393
179
190
202
230
268
diámetro de la brida
BST 'D'
83
101
114
133
152
165
184
216
279
152
165
184
216
BST 'F'
B
95
101
121
140
165
184
203
229
305
CLASE 125
89
98
108
127
152
178
190
229
297
152
178
190
229
Espesor de la brida
C
13
13
13
16
19
19
19
24
25
19
19
19
24
25
TAMAñO DEL TAPóN
D
19
22
22
27
31
38
41
47
49
27
31
38
41
49
PROFUNDIDAD PF enchufe cuadrado
E
20
20
20
25
28
30
49
50
60
25
28
30
49
60
PROFUNDIDAD PF enchufe cuadrado
F
100
114
120
157
173
196
226
247
325
156
172
197
222
305
LíNEA CENTRAL AL TOPE DE ENCHUFE
G
34
46
49
65
76
92
107
136
185
70
90
101
114
175
PESO (Kgs.)
2.95
4.1
5.5
10
15.5
22
30
51
100
13
18
25
35
83
LLAVE NOS.
1W
2W
3W
4W
5W
6W
7W
8W
10W
4W
5W
7W
7W
10W
     
Nota : Debido a las constantes actualizaciones los diseños y dimensiones están sujetos a cambios sin previo aviso.
��
Desarrollos a medida Troquel Forjado Cerrado Troquel Forjado abierto pieza de acero fundido arenoso
Fundiciones de presión sinterización Componentes de hoja de metal
Facilidad de mecanizado Piezas fundidas de cera perdida Piezas fundidas de cera perdida
Válvulas    
Servicios inyección Moldes de Cera Perdida Moldes de inyección de plástico rápido prototipado
CAD Conversiones y Redacción    



Home | Perfil | Contacto | Solicitud